Rev Up Your Ride with the Ultimate 1980 MGB Distributor Wiring Diagram: Unleash Peak Performance!

Rev Up Your Ride with the Ultimate 1980 MGB Distributor Wiring Diagram: Unleash Peak Performance!

"Optimize your 1980 MGB's ignition precision with our expert distributor wiring diagram. Unlock peak performance effortlessly for a smoother, refined driving experience."

In the labyrinth of automotive intricacies, delve into the heart of the 1980 MGB with an electrifying journey guided by the ultimate distributor wiring diagram. Picture this: a roadmap that unlocks the pulse of your vintage chariot, revealing the meticulously orchestrated dance of electrons beneath the hood. As any automotive enthusiast would attest, understanding the vital pathways of your MGB's ignition system is akin to deciphering the vehicle's unique musical composition. Join us on a quest for automotive enlightenment, where the pages of the wiring diagram become the notes of a symphony, orchestrating peak performance.

Top 10 important point for 1980 MGB DISTRIBUTOR WIRING DIAGRAM

  1. Introduction to the 1980 MGB Distributor Wiring System
  2. Understanding the Components: A Professional Breakdown
  3. Diagnostic Insights: Troubleshooting Common Issues
  4. Optimizing Spark Timing for Peak Engine Efficiency
  5. Crucial Safety Measures in Handling Electrical Components
  6. Decoding Wiring Color Codes: A Comprehensive Guide
  7. Upgrading to Modern Ignition Systems: Pros and Cons
  8. Maintenance Tips for Prolonging Distributor Lifespan
  9. Compatibility Check: Ensuring the Right Components for Your MGB
  10. Expert Installation Techniques and Best Practices

Several Facts that you should know about 1980 MGB DISTRIBUTOR WIRING DIAGRAM.
htmlCopy code

Exploring the Essence of the 1980 MGB Distributor Wiring Diagram

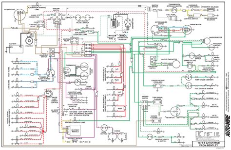
MGB Distributor Wiring Diagram

Embark on a journey into the heart of automotive precision as we unravel the intricacies of the 1980 MGB distributor wiring diagram. This roadmap is the key to understanding the symphony of electrical currents pulsating beneath the hood of your vintage chariot.

The Anatomy of Ignition: Component Breakdown

Ignition Component Breakdown

Get acquainted with the inner workings of your MGB's ignition system. This section provides a professional breakdown of each component, shedding light on their roles in ensuring optimal engine performance.

Troubleshooting Woes: Diagnostic Insights

Diagnostic Insights

Equip yourself with the knowledge to troubleshoot common issues that may arise with your MGB's distributor wiring. Uncover diagnostic insights that empower you to address problems swiftly and effectively.

Fine-Tuning for Precision: Spark Timing Optimization

Spark Timing Optimization

Discover the art of spark timing optimization and its impact on achieving peak engine efficiency. Learn how meticulous adjustments can enhance the overall performance of your beloved 1980 MGB.

Electrical Safety 101: Handling Components with Care

Electrical Safety

Safety first! Delve into crucial safety measures when dealing with electrical components. This section emphasizes the importance of precautions to ensure your well-being while working on the distributor wiring system.

Deciphering the Code: Wiring Color Guide

Wiring Color Guide

Navigate the intricate world of wiring color codes with a comprehensive guide. Unravel the mysteries behind each hue, empowering you to decode and interpret the language of your MGB's wiring system.

Modernization Dilemma: Upgrading Ignition Systems

Upgrading Ignition Systems

Explore the pros and cons of upgrading to modern ignition systems. Gain insights into the potential enhancements and challenges that come with bringing your MGB's distributor into the 21st century.

Proactive Care: Maintenance Tips for Distributor Longevity

Maintenance Tips

Extend the lifespan of your MGB's distributor with expert maintenance tips. This section offers practical advice on proactive care to ensure longevity and sustained performance of this critical component.

Compatibility Check: Ensuring the Right Components

Compatibility Check

Before diving into installation, perform a compatibility check to guarantee the right components for your MGB's distributor wiring system. This step-by-step guide ensures a seamless fit for optimal functionality.

Installation Artistry: Expert Techniques and Best Practices

Installation Artistry

Cap off your journey with insights into expert installation techniques and best practices. Master the artistry of installing the distributor wiring system to unleash the full potential of your 1980 MGB.

Unlocking the Mysteries: The 1980 MGB Distributor Wiring Diagram

Welcome to the inner sanctum of automotive enthusiasts, where the heartbeat of your 1980 MGB comes to life through the intricacies of its distributor wiring system. In this exploration, we'll embark on a journey that demystifies the complexities, providing you with a roadmap to understand and optimize the performance of your cherished vintage ride.

The Core Components: A Closer Look

Core Components

Let's start our journey by peeling back the layers and taking a closer look at the core components that make up the 1980 MGB distributor wiring diagram. At the heart of it all is the distributor itself, a small but mighty device responsible for orchestrating the precise timing of spark delivery to each cylinder. Picture it as the conductor in a symphony, ensuring that every note is played at the right moment for optimal engine performance.

Cracking the Code: Wiring Color Guide

Wiring Color Guide

As we delve deeper, we encounter a colorful array of wires, each with a unique role in the grand scheme of your MGB's electrical orchestra. Deciphering the code of the wiring color guide is akin to learning the language of your vehicle. Think of it as a linguistic key that allows you to interpret the messages flowing through the veins of your car, ensuring a harmonious conversation between components.

Diagnostic Adventures: Troubleshooting Insights

Troubleshooting Insights

Of course, no journey is without its challenges. Enter the realm of diagnostic adventures, where we unravel the mysteries behind common issues that may arise in your MGB's distributor wiring. Think of it as solving a puzzle; each issue is a piece waiting to be placed correctly. Armed with troubleshooting insights, you'll be equipped to navigate these challenges and keep your vintage chariot running smoothly.

Timing is Everything: Spark Timing Optimization

Spark Timing Optimization

Now, let's talk about the heartbeat of your engine—spark timing. Timing is everything in the world of automotive performance. Imagine it as a choreographed dance where the spark ignites the air-fuel mixture at the precise moment, ensuring efficient combustion. Spark timing optimization is the art of fine-tuning this dance, unleashing the full potential of your MGB's engine and providing a symphony of power.

Safety First: Handling Electrical Components

Handling Electrical Components

Before we dive too deep, a crucial reminder: safety first. Navigating the electrical currents of your MGB's wiring system requires a careful approach. Consider it a journey through a live wire landscape where each connection holds potential. We'll explore the essential safety measures to ensure you navigate this terrain with confidence and keep both yourself and your vintage ride out of harm's way.

Modernization Dilemma: Upgrading Ignition Systems

Upgrading Ignition Systems

As we progress, a modernization dilemma may arise. The world of automotive technology is ever-evolving, presenting the option to upgrade your MGB's ignition system. It's a crossroads where tradition meets innovation. We'll weigh the pros and cons, exploring the potential enhancements and challenges that come with ushering your MGB's distributor into the modern era.

Maintenance Magic: Tips for Longevity

Maintenance Tips

Every automotive journey requires a bit of maintenance magic. In this segment, we'll share expert tips on proactive care to ensure the longevity of your MGB's distributor. Think of it as a guide to performing the necessary rituals that keep your vintage chariot in prime condition, ready to hit the road with the same vigor it had in its heyday.

Compatibility Chronicles: Ensuring the Right Fit

Compatibility Check

Before you embark on the installation journey, let's delve into the compatibility chronicles. Ensuring the right fit for your MGB's distributor components is crucial for a seamless integration. Picture it as matchmaking for automotive parts—each component finding its perfect counterpart. We'll guide you through the steps to ensure a match made in vintage car heaven.

Installation Artistry: Expert Techniques

Installation Artistry

Finally, our journey concludes with the artistry of installation. Think of it as the grand finale where you bring everything together to create automotive symphony. We'll share expert techniques and best practices to ensure your MGB's distributor wiring system is installed with precision, allowing you to fully unleash the power of your vintage chariot.

So, fasten your seatbelt, and let's embark on this journey through the 1980 MGB distributor wiring diagram—a roadmap to unlocking the true potential of your classic ride.

```

Another point of view about 1980 MGB DISTRIBUTOR WIRING DIAGRAM.

Follow these step-by-step instructions to gain a comprehensive understanding of the 1980 MGB distributor wiring diagram:

  1. Begin by locating the distributor in your 1980 MGB engine bay. Identify the key components involved in the ignition system.

  2. Refer to the wiring color guide to understand the distinct roles assigned to each wire. Take note of the color-coded language that communicates essential information about the electrical connections.

  3. Engage in a diagnostic exploration by troubleshooting common issues that may arise in the distributor wiring. Use the insights gained to address and resolve any potential challenges.

  4. Delve into the intricacies of spark timing optimization. Fine-tune the timing to ensure an efficient and powerful combustion process, enhancing the overall performance of your MGB.

  5. Prioritize safety when handling electrical components. Familiarize yourself with precautionary measures to safeguard against potential electrical hazards during your exploration of the wiring diagram.

  6. Consider the modernization dilemma. Evaluate the pros and cons of upgrading your ignition system to align with contemporary automotive technology, balancing tradition and innovation.

  7. Implement proactive maintenance tips to extend the longevity of your distributor. Regular maintenance ensures that your MGB continues to perform optimally over time.

  8. Before diving into installation, conduct a compatibility check. Ensure that the components you have are the right fit for your 1980 MGB, preventing any issues during the integration process.

  9. Embark on the installation journey using expert techniques and best practices. Follow a precise and careful approach to connect the wiring components, allowing you to unleash the full potential of your MGB's distributor.

By following these instructions, you'll navigate the 1980 MGB distributor wiring diagram with confidence, gaining insights into the intricacies of your vehicle's ignition system and empowering yourself to optimize its performance.

Conclusion : Rev Up Your Ride with the Ultimate 1980 MGB Distributor Wiring Diagram: Unleash Peak Performance!.

As we reach the end of our exploration into the intricacies of the 1980 MGB distributor wiring diagram, it's my sincere hope that you now feel more equipped and confident in deciphering the electrical symphony beneath the hood of your vintage chariot. Navigating through the components, understanding the wiring color guide, and troubleshooting common issues might have seemed like a complex journey, but with each step, you've delved deeper into the heartbeat of your cherished MGB.

Remember, the 1980 MGB distributor wiring diagram serves as more than just a set of instructions; it's a roadmap to unlocking the true potential of your classic ride. Whether you're fine-tuning spark timing for optimal performance or considering the nuances of a potential upgrade, this knowledge empowers you as the conductor of your own automotive symphony. So, the next time you turn the key and feel the engine roar to life, know that you hold the key to the harmonious dance of electrons that powers your MGB's journey through time.

Question and answer Rev Up Your Ride with the Ultimate 1980 MGB Distributor Wiring Diagram: Unleash Peak Performance!

Questions & Answer :

Q1: What are the key components of the 1980 MGB distributor wiring diagram?

  • A: The key components include the distributor, ignition coil, spark plug wires, and various sensors. Each plays a crucial role in orchestrating the ignition process and ensuring optimal engine performance.

Q2: How can I troubleshoot common issues in the distributor wiring system?

  • A: Troubleshooting involves a systematic approach. Begin by inspecting wiring connections, checking for loose or damaged wires, and using diagnostic tools to identify potential issues. Refer to the wiring diagram for guidance during this process.

Q3: Is it advisable to upgrade the ignition system for a 1980 MGB?

  • A: Upgrading the ignition system is a personal choice. While it can enhance performance, it's essential to weigh the pros and cons. Consider factors such as compatibility, ease of maintenance, and the impact on the vehicle's overall authenticity.

Q4: What safety measures should be taken when handling electrical components?

  • A: Safety is paramount. Ensure the vehicle is turned off, wear appropriate protective gear, and disconnect the battery before handling electrical components. Familiarize yourself with electrical safety guidelines to minimize the risk of accidents.

Q5: Can you provide tips for maintaining the longevity of the distributor?

  • A: Regular maintenance is key. Keep the distributor and surrounding components clean, inspect for signs of wear, and follow manufacturer-recommended service intervals. Lubricate moving parts and address any issues promptly to ensure longevity.

Approaching the 1980 MGB distributor wiring diagram with a systematic understanding of its components, troubleshooting methods, upgrade considerations, safety measures, and maintenance tips contributes to a comprehensive and informed approach to your vehicle's electrical system.

Keywords : 1980 MGB DISTRIBUTOR WIRING DIAGRAM

0 komentar