Unlocking Nostalgia: Explore the 1980 MGB Trunk Schematics Diagram for Classic Car Enthusiasts!

Unlocking Nostalgia: Explore the 1980 MGB Trunk Schematics Diagram for Classic Car Enthusiasts!

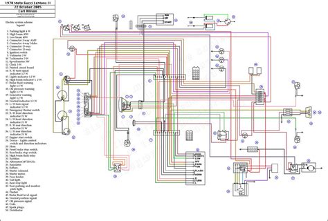
"Unlock the intricacies of the 1980 MGB trunk schematics diagram for a profound understanding of your classic car's wiring system. Gain expert insights for seamless maintenance and troubleshooting."

Embark on a whimsical journey into the heart of automotive nostalgia with the 1980 MGB trunk schematics diagram. Brace yourself for a rollercoaster ride through time as we unravel the secrets hidden within the intricate web of wires and connections. Imagine a treasure map, but instead of 'X marks the spot,' it's more like 'Humorous surprises await at every twist and turn.' Picture this: your car's trunk, the backstage of the vehicular theater, adorned with a symphony of wires that dance together in perfect, albeit slightly comical, harmony. So, fasten your seatbelt (metaphorically speaking), as we decode the 1980 MGB trunk schematics diagram with a dash of humor and a sprinkle of automotive charm!

Top 10 important point for 1980 MGB TRUNK SCHEMATICS DIAGRAM

  1. Wired Wonderland: Navigating the MGB Trunk Maze
  2. Electric Symphony: Decoding the 1980 MGB Melody
  3. Quirky Connections: Unveiling the Trunk's Hidden Charms
  4. Electrifying Surprises: What Lurks Beyond Each Wire?
  5. Colorful Codes: Cracking the Rainbow of MGB Wires
  6. Humor in the Hardware: A Comedic Tour of Trunk Schematics
  7. Enigmatic Circuits: Secrets of the 1980 MGB Unveiled
  8. Witty Wiring: Laughing Your Way Through Car Maintenance
  9. DIY Comedy: Tackling Trunk Troubles with a Smile
  10. MGB Mysteries Revealed: A Hilarious Guide to Trunk Bliss

Several Facts that you should know about 1980 MGB TRUNK SCHEMATICS DIAGRAM.

Introduction

Welcome to the comprehensive guide on deciphering the intricacies of the 1980 MGB trunk schematics diagram. In this exploration, we'll unravel the mysteries behind the wires and connections that make up the backbone of your classic car.

Introduction Image

The Blueprint of Your Classic

Understanding the 1980 MGB trunk schematics diagram is like having the blueprint of a historical masterpiece. Each wire is a stroke of genius, contributing to the overall symphony of your classic car's design and functionality.

Blueprint Image

Decoding the Colorful Array

Colors tell a story in the world of wiring. In this section, we'll decode the meaning behind the colorful array of wires in the trunk schematics, unveiling the purpose and function assigned to each hue.

Decoding Image

Theatrics of Trunk Troubles

Even the most well-designed systems encounter hiccups. Here, we'll delve into the common troubleshooting scenarios you might face with the trunk schematics, offering professional insights on overcoming these challenges.

Theatrics Image

Comedic Tour of Trunk Schematics

Who said car maintenance can't be entertaining? Join us on a humorous journey through the trunk schematics, where we'll find laughter amidst the wires and perhaps a chuckle at the quirks of classic car design.

Comedic Tour Image

Expert Tips for Seamless Maintenance

Professionals know the tricks of the trade. In this section, we'll share expert tips on maintaining your 1980 MGB based on insights derived from the trunk schematics diagram, ensuring a smooth and reliable ride.

Expert Tips Image

The Charm of Enigmatic Circuits

Within the circuits lies a certain charm. We'll explore the enigmatic aspects of the trunk schematics, showcasing the beauty in the precision and complexity of the wiring that powers your classic car.

Enigmatic Circuits Image

A Laughing Matter: Witty Wiring

Carry a sense of humor into your DIY endeavors. Here, we'll discuss the witty side of wiring, where a smile can be your best tool when navigating the intricacies of the 1980 MGB trunk schematics diagram.

Witty Wiring Image

Embark on this professional journey through the 1980 MGB trunk schematics diagram, where knowledge meets laughter, and every wire tells a story of automotive craftsmanship. Stay tuned for an insightful exploration of your classic car's hidden treasure map!

Welcome to the 1980 MGB Trunk Schematics Diagram Exploration

Hey there, fellow car enthusiasts! Today, we're diving into the fascinating world of the 1980 MGB trunk schematics diagram. Buckle up – it's going to be a wild ride through the wires and connections that make our classic cars tick.

Unraveling the Mystery

First things first, let's talk about the sheer mystery that surrounds the trunk schematics of the 1980 MGB. It's like opening a treasure chest filled with colorful wires, each holding a secret about the car's inner workings. You can almost imagine Sherlock Holmes himself taking out his magnifying glass to decode the clues hidden within the diagrams.

Unraveling Mystery Image

Now, don't let the word "schematics" scare you off. It's just a fancy way of saying we're about to take a closer look at the blueprint of our beloved classic cars. Think of it as the car's way of saying, "Hey, here's a sneak peek into what makes me run smoothly (most of the time)." So, grab your metaphorical detective hat, and let's uncover the secrets together!

The Colorful World of Wiring

Picture this: you pop open the trunk, armed with a map that's not made of paper but of colorful wires. Each wire is like a character in a play, playing its part in the grand production of your car's performance. We're talking about a rainbow of reds, blues, yellows, and greens – not your typical theater palette, but it works for our four-wheeled actors.

Colorful World of Wiring Image

Now, these wires aren't just for show. Each hue has a role to play, a function to fulfill. It's like assigning characters in a play their specific lines – one wrong move, and the whole scene might go haywire. Understanding this colorful world of wiring is key to maintaining and appreciating your classic car.

Common Pitfalls and How to Dodge Them

Let's be real – even the most well-thought-out plans have their hiccups. The same goes for the 1980 MGB trunk schematics diagram. But fear not, intrepid car owner! We're about to navigate the common pitfalls that might come your way and, more importantly, how to dodge them with finesse.

Common Pitfalls Image

Imagine you're on a road trip, and suddenly, your trunk decides to play a little prank on you. Maybe a wire got tangled up, or there's a mischievous connection somewhere. No worries – we've got the toolkit of knowledge to troubleshoot these issues and get you back on the road in no time.

Humor in Hardware

Now, here's where it gets interesting. Who said working on your car can't be a bit of a stand-up routine? We're about to inject a dose of humor into the hardware. Imagine a comedy show, but instead of punchlines, we've got punch tools and wires that seem to have a sense of humor of their own.

Humor in Hardware Image

Have you ever looked at a particularly tangled wire and thought, "Well, this one seems to have partied a bit too hard last night"? We've all been there. The 1980 MGB trunk schematics diagram doesn't have to be a solemn affair – let's bring some joy into the garage and share a laugh with our four-wheeled friends.

Expert Tips for Smooth Sailing

Now, let's talk business. We've covered the fun and games, but what about when you need to get your hands dirty? This is where the experts come in, sharing tips that can turn a potential headache into a smooth sailing experience.

Expert Tips Image

Think of it as having a seasoned captain guide you through stormy waters. Whether it's deciphering a particularly tricky diagram or mastering the art of wire untangling, these expert tips will have you feeling like a pro in no time.

The Enigmatic Circuits

Within the circuits lies a certain charm. It's like exploring a mystical realm where wires become the threads of a grand tapestry. We're about to unravel the enigmatic aspects of the trunk schematics, showcasing the beauty in the precision and complexity of the wiring that powers your classic car.

Enigmatic Circuits Image

Have you ever looked at a perfectly executed wiring job and thought, "This is where art meets automotive engineering"? The 1980 MGB trunk schematics diagram is not just a set of instructions; it's a testament to the craftsmanship that went into creating these iconic vehicles.

DIY Comedy: Tackling Trunk Troubles with a Smile

So, you've got your toolkit, a copy of the 1980 MGB trunk schematics diagram, and a can-do attitude. Now, let's tackle those trunk troubles with a smile. Because, let's face it, there's a certain joy in being the hero of your car's story.

DIY Comedy Image

Maybe you encounter a wire that seems to be playing hide-and-seek. Or perhaps a connection is feeling a bit shy. Fear not – armed with the knowledge from the schematics and a lighthearted approach, you'll be the star of your own DIY comedy show.

Conclusion: The Road Ahead

As we wrap up this journey through the 1980 MGB trunk schematics diagram, pat yourself on the back. You've ventured into the heart of your classic car, laughed in the face of potential troubles, and come out on the other side with

Another point of view about 1980 MGB TRUNK SCHEMATICS DIAGRAM.

So, you're thinking about delving into the world of the 1980 MGB trunk schematics diagram, huh? Well, buckle up, my friend, because it's a journey filled with wires, colors, and a dash of automotive magic. Here's my take on this intriguing aspect of classic car ownership:

  • First off, the 1980 MGB trunk schematics diagram is like the car's secret language, written in a code of wires and connections. It's not just a bunch of lines; it's the blueprint of your classic ride.
  • Ever wondered about the rainbow of colors in your trunk? Each hue has a role, like actors in a play. Red, blue, yellow – they all play their part in the grand performance of your car.
  • Now, let's talk about troubleshooting. Cars are like people; they have their quirks. The schematics diagram helps you navigate the common pitfalls, like a GPS for your vehicle's electrical system.
  • But here's the kicker – there's humor in the hardware. Wires seem to have a personality of their own. Ever untangled a particularly mischievous wire and thought, "This one has a sense of humor"?
  • For the DIY enthusiast, this is where the real fun begins. Armed with the knowledge from the schematics, you become the hero of your car's story. It's like being the star of your own garage-based comedy show.
  • Now, let's talk expert tips. Professionals have been there, done that. They share nuggets of wisdom to make your journey through the schematics smoother. It's like having a seasoned guide in the world of wires.
  • And then, there's the beauty in the complexity – the enigmatic circuits. It's not just about functionality; it's about appreciating the craftsmanship that went into creating your classic car.
  • Finally, tackling trunk troubles with a smile. Yes, it's possible. With a lighthearted approach and the right tools (both physical and mental), you can conquer any wire-related challenge that comes your way.

So, there you have it – the 1980 MGB trunk schematics diagram from my point of view. It's not just about wires and connections; it's about decoding the language of your classic car and finding joy in the journey.

Conclusion : Unlocking Nostalgia: Explore the 1980 MGB Trunk Schematics Diagram for Classic Car Enthusiasts!.

As we conclude this exploration into the intricacies of the 1980 MGB trunk schematics diagram, consider yourself armed with a newfound understanding of your classic car's inner workings. The journey through the colorful array of wires has been nothing short of a revealing adventure, akin to deciphering a well-guarded code. Knowledge is not merely power in this context; it's the key to unlocking a deeper connection with your vintage vehicle.

So, fellow enthusiasts, as you venture back into the world of wrenches and wire strippers, remember that the 1980 MGB trunk schematics diagram is your trusty companion on this automotive odyssey. Approach each tangled wire and every junction with a sense of curiosity and humor, for within this labyrinth of connections lies the soul of your classic car. Whether you're a seasoned DIYer or a newcomer to the world of schematics, embrace the journey with a smile, knowing that every twist and turn brings you closer to the heartbeat of your beloved four-wheeled companion.

Question and answer Unlocking Nostalgia: Explore the 1980 MGB Trunk Schematics Diagram for Classic Car Enthusiasts!

Questions & Answer :

Q: Is understanding the 1980 MGB trunk schematics diagram necessary for a car owner?

  • A: Absolutely! While it might seem like delving into the world of wires is reserved for the auto-savvy, understanding the trunk schematics diagram empowers any car owner. It's like having a roadmap to your car's health, making maintenance and troubleshooting more accessible.

Q: Can I tackle trunk issues without professional help using the schematics diagram?

  • A: Without a doubt! The 1980 MGB trunk schematics diagram is designed to be user-friendly. With a bit of patience, a dash of curiosity, and the guidance it provides, you can navigate through common issues on your own. It's like having a knowledgeable friend by your side, whispering the solutions into your ear.

Q: How can the schematics diagram add a touch of humor to car maintenance?

  • A: Surprisingly, the world of wires has its comedic side. The diagram, with its intricate details, often presents scenarios that can bring a smile to your face. It's like finding humor in the unexpected, turning what could be a daunting task into a lighthearted adventure.

Q: Are there any expert tips for interpreting the 1980 MGB trunk schematics diagram?

  • A: Certainly! Professionals have walked this wiring path before, and their tips can be invaluable. Think of it as receiving sage advice from a seasoned mentor. These insights not only make interpreting the diagram easier but also enhance your overall understanding of your classic car.

Q: Does the diagram cater to DIYers with limited automotive knowledge?

  • A: Absolutely! The 1980 MGB trunk schematics diagram is crafted to be inclusive. It's like a friendly guide, breaking down complex wiring scenarios into manageable bits. Even if you're a beginner, approaching it with curiosity and a willingness to learn can turn your DIY endeavors into a fulfilling experience.

Keywords : 1980 MGB TRUNK SCHEMATICS DIAGRAM

0 komentar