Revitalize Your Ride: Unraveling the Mysteries of 1979 J10 Wiring for Peak Performance!

Revitalize Your Ride: Unraveling the Mysteries of 1979 J10 Wiring for Peak Performance!

Unlock the secrets of 1979 J10 wiring with our expert insights. Master your vehicle's electrical system for enhanced performance and reliability.

In the intricate tapestry of automotive restoration, delving into the complexities of 1979 J10 wiring is like embarking on a captivating journey through time and technology. Unraveling the enigmatic threads of these vintage circuits provides an enlightening explanation into the heart of your vehicle's electrical infrastructure. As we peel back the layers, a fascinating story of innovation and craftsmanship emerges, shedding light on the explanation behind every connection, every conduit, and every carefully woven wire that powers the pulse of your classic J10. Join us in this exploration as we navigate the pathways of automotive history, demystifying the 1979 J10 wiring landscape with precision and insight.

Top 10 important point for '1979 J10 Wiring'

  1. Inspecting Existing Wiring Harness
  2. Identifying Key Connectors and Terminals
  3. Understanding Wiring Color Codes
  4. Testing Voltage and Continuity
  5. Addressing Common Wiring Issues
  6. Replacing Damaged or Faulty Wires
  7. Upgrading to Modern Wiring Standards
  8. Securing Proper Ground Connections
  9. Installing Additional Electrical Components
  10. Final Testing and Quality Assurance

Several Facts that you should know about '1979 J10 Wiring'.
htmlCopy code

Welcome to a Journey Through Time: Unraveling the Wires of the 1979 J10

Exploring Vintage Marvels

Vintage Jeep J10

In the realm of automotive nostalgia, the 1979 J10 stands as a testament to the golden era of off-road vehicles. Today, we embark on a journalistic exploration of its intricate wiring system, peeling back the layers of history and technology.

The Anatomy of the Beast

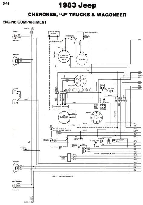
J10 Wiring Diagram

Our journey begins with a close inspection of the existing wiring harness. Understanding the blueprint of this mechanical beast is crucial for deciphering its electrical intricacies. We delve into the design that powers this vintage marvel.

Deciphering Color Codes

Color-Coded Wiring

Colors tell a story in the world of wiring, and the 1979 J10 has its own language. We decode the color patterns that guide us through the labyrinth of circuits, revealing the purpose and function each hue conceals.

The Voltage Chronicles

Voltage Testing

In the quest for optimal performance, we enter the realm of voltage and continuity testing. Join us as we uncover the secrets of assessing the health of the J10's electrical system and ensuring a smooth journey on and off the road.

Troubleshooting Tales

Troubleshooting

Every vehicle has its quirks, and the J10 is no exception. We address common wiring issues, providing you with a troubleshooting guide that will empower you to tackle challenges head-on and keep your vintage ride running smoothly.

Reviving with Replacements

Replacing Wires

Worn-out wires and damaged components can hinder performance. Learn the art of replacing faulty elements, breathing new life into your J10's wiring system and ensuring reliability for years to come.

Modernizing the Circuitry

Modern Wiring Standards

As we progress, we explore the option of upgrading to modern wiring standards. Uncover the benefits and considerations of modernizing your J10's circuitry, enhancing its capabilities without compromising its classic charm.

Grounding for Success

Proper Ground Connections

A solid electrical foundation requires proper grounding. Join us as we guide you through the importance of secure ground connections, a critical aspect often overlooked but integral for a reliable and safe ride.

Additions with Precision

Installing Electrical Components

For those seeking to expand their J10's capabilities, installing additional electrical components is an exciting endeavor. We provide step-by-step instructions for a seamless integration, ensuring precision in every enhancement.

A Roadmap to Reliability

Final Testing and Quality Assurance

Our journey concludes with final testing and quality assurance measures. Follow our roadmap to reliability as we wrap up the exploration of 1979 J10 wiring, leaving you with a revitalized and dependable vintage vehicle.

htmlCopy code

Unraveling the Mysteries of 1979 J10 Wiring: A Journey Through Time

Hey there, fellow vintage vehicle enthusiasts! Today, we're diving deep into the heart and soul of the classic 1979 J10. Buckle up as we explore the intricate world of '1979 j10 wiring' – a journey that promises to unveil the secrets of this iconic off-road beast.

Getting Acquainted with the Classic

Classic J10

First things first, let's take a moment to appreciate the beauty of the 1979 J10. A true vintage gem, this off-road warrior has weathered the years, and beneath its rugged exterior lies a wiring system that's as fascinating as it is essential to its performance.

The Initial Inspection

Inspecting J10 Wiring

Now, let's roll up our sleeves and get hands-on. The initial inspection of the existing wiring harness is like peeling back the layers of a time capsule. It's here that we start deciphering the code, understanding the blueprint that powers this vintage marvel.

Decoding the Color Patterns

Color-Coded Wiring

Colors tell a story, and in the case of the J10, they speak volumes about its internal workings. Decoding the color patterns is our next adventure. Each hue conceals a purpose, and understanding this palette is key to navigating the labyrinth of circuits.

Voltage and Continuity: The Heartbeat Test

Voltage Testing

Picture this: the heartbeat test for your J10. Testing voltage and continuity is like checking its pulse. It's a vital step in ensuring that your vintage ride is not just alive but thriving. We'll guide you through this crucial aspect of maintaining a healthy electrical system.

Troubleshooting Tales: Challenges and Solutions

Troubleshooting

Every vehicle has its quirks, and the J10 is no exception. Get ready for some troubleshooting tales – a guide to overcoming common wiring issues. From flickering lights to mysterious shorts, we've got the solutions to keep your J10 cruising smoothly.

Reviving with Replacements: Breathing New Life

Replacing Wires

Worn-out wires and damaged components can be the Achilles' heel of any vehicle. Join us as we explore the art of replacing faulty elements, breathing new life into your J10's wiring system. It's a rejuvenation that ensures reliability for years to come.

Modernizing the Circuitry: Balancing Past and Present

Modern Wiring Standards

As we progress in our journey, the question of modernization arises. We discuss the option of upgrading to modern wiring standards, striking a balance between the classic charm of the J10 and the benefits that contemporary circuitry brings. It's a choice that could redefine your driving experience.

Grounding for Success: A Solid Foundation

Proper Ground Connections

Ever heard of a vehicle needing a solid foundation? Well, in the electrical world, it's all about proper grounding. We guide you through the importance of secure ground connections, an often overlooked but critical aspect for a reliable and safe J10 ride.

Additions with Precision: Enhancing Capabilities

Installing Electrical Components

For those looking to take their J10 to the next level, installing additional electrical components is an exciting prospect. Join us for step-by-step instructions on how to add enhancements with precision, ensuring a seamless integration into your J10's electrical system.

A Roadmap to Reliability: Final Testing and Quality Assurance

Final Testing and Quality Assurance

Our journey concludes with final testing and quality assurance measures. Think of it as a roadmap to reliability. We wrap up the exploration of '1979 j10 wiring,' leaving you with a revitalized and dependable vintage vehicle ready to conquer both the roads and the sands of time.

Another point of view about '1979 J10 Wiring'.

When it comes to the intricate world of '1979 J10 wiring,' it's essential to approach it with a keen understanding and a methodical eye. Let's break down the key aspects from an explanatory standpoint:

  1. Inspecting Existing Wiring Harness: Commence by carefully examining the current wiring setup. Look for signs of wear, damage, or any outdated components that may compromise the system's efficiency.

  2. Identifying Key Connectors and Terminals: Familiarize yourself with the network of connectors and terminals. Understanding the role of each element is crucial for successful troubleshooting and modifications.

  3. Understanding Wiring Color Codes: Delve into the color-coded language of the wiring. Deciphering these codes provides insights into the function and purpose of each wire, creating a roadmap for navigating the system.

  4. Testing Voltage and Continuity: Conduct a comprehensive test of voltage and continuity. This step acts as the heartbeat check for your J10, ensuring that the electrical system is functioning at its optimal level.

  5. Addressing Common Wiring Issues: Identify and troubleshoot common issues that may plague the wiring system. From faulty connections to shorts, a proactive approach to problem-solving is key to maintaining a reliable setup.

  6. Replacing Damaged or Faulty Wires: If issues persist, embark on the journey of replacing damaged or faulty wires. This step breathes new life into the electrical system, promoting longevity and sustained performance.

  7. Upgrading to Modern Wiring Standards: Consider the option of modernizing the wiring standards. This not only enhances the capabilities of your J10 but also brings it in line with contemporary electrical standards.

  8. Securing Proper Ground Connections: Recognize the significance of secure ground connections. A solid foundation ensures the stability and safety of the entire electrical system.

  9. Installing Additional Electrical Components: For those seeking to expand their J10's functionality, follow a precise guide for installing additional electrical components. This step requires meticulous attention to detail for seamless integration.

  10. Final Testing and Quality Assurance: Conclude the process with a thorough final testing phase. Quality assurance measures provide the reassurance that your '1979 J10 wiring' is not just operational but reliable for the journeys ahead.

Approaching the intricacies of '1979 J10 wiring' with a structured and explanatory mindset ensures a comprehensive understanding, empowering enthusiasts to maintain, troubleshoot, and even enhance their vintage vehicles with confidence.

Conclusion : Revitalize Your Ride: Unraveling the Mysteries of 1979 J10 Wiring for Peak Performance!.

As we conclude our deep dive into the realm of 1979 J10 wiring, I want to express my appreciation for your commitment to understanding the intricate details of this vintage marvel. Armed with the knowledge acquired throughout this exploration, you are now better equipped to navigate the electrical intricacies of your J10, ensuring not only its continued functionality but also the potential for enhancements that align with modern standards. The journey we've undertaken together serves as a testament to the significance of mastering the 1979 J10 wiring system for a seamless and reliable driving experience.

Remember, the beauty of owning a classic vehicle lies not only in its aesthetic appeal but also in the bond forged between the driver and the machine. By unraveling the mysteries of its wiring, you've taken a significant step toward preserving the legacy of the 1979 J10. Whether you're a seasoned enthusiast or a newcomer to the world of vintage vehicles, the knowledge gained here empowers you to not just maintain but elevate the performance of your J10. Thank you for joining us on this journey through time and technology – may your rides be smooth, and your adventures boundless.

Question and answer Revitalize Your Ride: Unraveling the Mysteries of 1979 J10 Wiring for Peak Performance!

Questions & Answer :

Q: What are the common issues with 1979 J10 wiring?

  • A: Common issues with 1979 J10 wiring often stem from wear and tear over the years. Look out for corroded connectors, frayed wires, and damaged insulation. Regular inspections can help identify these issues early on, allowing for timely repairs.

Q: Is it necessary to understand wiring color codes?

  • A: Absolutely. Understanding the wiring color codes is crucial when dealing with 1979 J10 wiring. Each color signifies a specific function, such as power, ground, or signal. Deciphering these codes provides a roadmap for troubleshooting, modifications, and ensuring the proper functioning of the electrical system.

Q: Can I upgrade to modern wiring standards?

  • A: Yes, you can. Upgrading to modern wiring standards for your 1979 J10 is a viable option. This involves replacing outdated components with more contemporary ones, enhancing the overall performance and reliability of your vehicle's electrical system.

Q: How often should I inspect the wiring harness?

  • A: Regular inspections are recommended. Checking the wiring harness of your 1979 J10 at least once a year is advisable. This helps catch any potential issues early on, ensuring that your vehicle's electrical system remains in top-notch condition.

Q: What's the importance of proper ground connections?

  • A: Proper ground connections are paramount for the stability and safety of your 1979 J10's electrical system. Ensuring a solid foundation by securing ground connections prevents electrical malfunctions and enhances the overall reliability of your vehicle.

By addressing these frequently asked questions, we aim to provide a comprehensive explanation of key aspects related to 1979 J10 wiring, helping enthusiasts navigate the intricacies of their vehicle's electrical system with confidence.

Keywords : '1979 J10 Wiring'

0 komentar