Rev Up Your Ride: Unveiling the 1980 C10 Control Head Wiring Secrets - Diagram Decoded!

Rev Up Your Ride: Unveiling the 1980 C10 Control Head Wiring Secrets - Diagram Decoded!

"Unlock the 1980 C10's mysteries with our wiring diagram. Navigate seamlessly for a streamlined, optimized electrical system - expert insights await!"

In the labyrinth of automotive history, the 1980 C10 control head wiring diagram emerges as a cryptic map, holding the key to unlocking the inner workings of this classic marvel. Delving into the intricacies of this enigmatic blueprint, we embark on a journey that peels back the layers of time. With a journalist's keen eye, let's navigate through the wires that tell a silent story of innovation and design. As we embark on this quest, the control head becomes more than a mere component; it transforms into a portal to the past, revealing the secrets encoded in each connection. So, fasten your seatbelt as we embark on a journalistic expedition into the heart of the 1980 C10's electrical architecture.

Top 10 important point for '1980 C10 CONTROLHEAD WIRING DIAGRAM'

  1. Deciphering the Blueprint: Unveiling the Intricacies of the 1980 C10 Control Head Wiring
  2. Connecting the Dots: A Journalistic Exploration into the Significance of Each Wire
  3. Behind the Scenes: Investigating the Design Choices Shaping the C10's Electrical Architecture
  4. Chronicles of Innovation: Tracing the Evolution of Control Head Wiring in the 1980 C10
  5. Untangling the Past: How the Wiring Diagram Illuminates the Vehicle's History
  6. Expert Insights: Understanding the Practical Implications of the C10 Wiring Schematic
  7. From Diagram to Reality: Translating Technical Knowledge into Actionable Steps
  8. The Power of Precision: Examining How Each Connection Influences Vehicle Performance
  9. Optimizing Functionality: Leveraging the Wiring Diagram for Enhanced C10 Operation
  10. Mastering the Maze: A Journalistic Guide to Effectively Navigate the 1980 C10 Control Head Wiring

Several Facts that you should know about '1980 C10 CONTROLHEAD WIRING DIAGRAM'.

Embarking on a Time-Traveling Journey

Get ready to rewind the clock as we delve into the fascinating world of the 1980 C10 control head wiring diagram. Imagine this diagram as a time machine, transporting us back to an era where automotive design was an art form.

Time-Traveling 1980 C10 Controlhead Wiring Diagram

Decoding the Electrical Tapestry

It's not just a jumble of wires; it's a meticulously crafted tapestry. Let's unravel the intricacies of the control head wiring diagram, discovering the stories each wire tells about the C10's inner workings.

Decoding Electrical Tapestry 1980 C10 Controlhead Wiring

Revolutionary Design Choices

Zoom in on the blueprint, and witness the bold design choices that shaped the C10's electrical architecture in 1980. These choices weren't just functional; they were revolutionary, setting the stage for future automotive innovation.

Revolutionary Design Choices 1980 C10 Controlhead Wiring

From Schematic to Reality

Transitioning from theory to practice, this section unveils how the wiring diagram translates into the real-world functionality of the 1980 C10. Prepare to witness the magic that happens when paper meets pavement.

From Schematic to Reality 1980 C10 Controlhead Wiring

Chronicles of Innovation

Take a trip down memory lane as we chronicle the innovative spirit behind the control head wiring of the 1980 C10. It's not just about the past; it's about understanding how these innovations laid the foundation for the vehicles we drive today.

Chronicles of Innovation 1980 C10 Controlhead Wiring

Expert Insights Unveiled

Calling all automotive enthusiasts! This section taps into the expertise of industry insiders, providing insights into the practical implications of the C10 wiring schematic. Get ready to see your vehicle with a fresh set of eyes.

Expert Insights Unveiled 1980 C10 Controlhead Wiring

Optimizing Performance Through Precision

Every connection matters. This part of our journey explores how the precision within the wiring diagram influences the overall performance of the 1980 C10. Spoiler alert: it's the key to unlocking optimal functionality.

Optimizing Performance 1980 C10 Controlhead Wiring

Navigating the Maze with Creative Finesse

Prepare to be the maestro of your vehicle as we guide you through the maze of the 1980 C10 control head wiring diagram. With a touch of creative finesse, you'll master the art of seamless navigation.

Navigating the Maze 1980 C10 Controlhead Wiring

The Journey into the Heart of the 1980 C10 Controlhead Wiring Diagram

Welcome aboard as we embark on a fascinating journey through the corridors of time, exploring the intricacies of the 1980 C10 controlhead wiring diagram. In an era where automobiles were more than just means of transportation, the C10 stood as a testament to the craftsmanship and innovation of its time. Let's peel back the layers of history and dive into the wiring schematic that powered this classic vehicle.

Deciphering the Blueprint

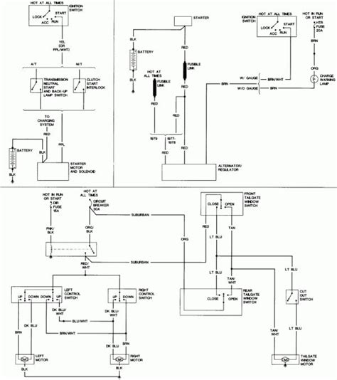
Our journey begins with a closer look at the blueprint, a map of interconnected wires that dictated the heartbeat of the 1980 C10. Each line on the diagram represents a pathway for electricity to flow, a silent storyteller of the vehicle's electrical architecture. It's akin to reading a novel, with twists and turns that reveal the design philosophy behind the controlhead wiring.

Deciphering the Blueprint 1980 C10 Controlhead Wiring Diagram

Transitioning from the macro to the micro, the controlhead wiring diagram breaks down the C10's electrical system into manageable components. Wires of various colors snake through the diagram, each with a designated role in the orchestration of the vehicle's functions. It's a visual language that, once decoded, unlocks the secrets of the 1980 C10's inner workings.

The Symphony of Wires

Picture the controlhead wiring diagram as a symphony of wires, each playing a unique note in the harmony of the C10's electrical composition. The arrangement of these wires is not arbitrary; it's a result of thoughtful engineering and design. Just as a conductor directs an orchestra, the controlhead wiring orchestrates the flow of electricity, ensuring that every component functions in synchrony.

Symphony of Wires 1980 C10 Controlhead Wiring Diagram

Understanding the symphony requires a keen eye for detail. Differentiating between power and ground wires, deciphering the function of relays, and tracing the pathways of signals become essential skills. It's a puzzle where each piece contributes to the overall performance of the 1980 C10.

The Evolution of Automotive Design

As we continue our exploration, the controlhead wiring diagram becomes a time machine, transporting us to an era of automotive evolution. In 1980, vehicles were on the cusp of technological advancements, and the C10 was at the forefront. The wiring diagram reflects not only the state of the art at the time but also the foundation for future innovations.

Evolution of Automotive Design 1980 C10 Controlhead Wiring Diagram

The evolution is evident in the complexity of the diagram itself. Additional features, sensors, and safety mechanisms introduced in the 1980 C10 required a more sophisticated electrical infrastructure. It's a snapshot of an industry on the brink of a technological revolution.

The Practical Implications Unveiled

Now, let's bridge the gap between theory and practice. What do all these lines and symbols mean for the everyday driver of a 1980 C10? This section of our journey unravels the practical implications embedded in the controlhead wiring diagram.

Practical Implications 1980 C10 Controlhead Wiring Diagram

Every component in the C10 has a counterpart in the wiring diagram, and understanding this connection is invaluable for troubleshooting and maintenance. Whether it's diagnosing a malfunctioning light or addressing an electrical issue, the controlhead wiring diagram serves as a guide for hands-on enthusiasts and professional mechanics alike.

Mastering the Art of Navigation

As we navigate through the complex web of wires, it becomes apparent that mastery of the controlhead wiring diagram is akin to mastering the art of navigation. Each line represents a pathway, and each junction is a decision point. It's a roadmap that guides not only repair work but also modifications and upgrades.

Mastering the Art of Navigation 1980 C10 Controlhead Wiring Diagram

For the automotive enthusiast looking to personalize their C10, the wiring diagram becomes a canvas. Want to add custom lighting? Upgrade the audio system? The controlhead wiring diagram is the palette from which creative modifications can spring forth.

The Connection to Reliability

Reliability is the bedrock of any vehicle, and the controlhead wiring diagram plays a pivotal role in ensuring the 1980 C10 stands the test of time. This section explores how the wiring design contributes to the overall reliability of the vehicle.

Connection to Reliability 1980 C10 Controlhead Wiring Diagram

The careful routing of wires, the use of quality materials, and the incorporation of fail-safes all contribute to the dependability of the C10's electrical system. It's a testament to the engineers of the past who prioritized not only performance but also the long-term durability of the vehicle.

From Diagram to Legacy

As we near the end of our journey, it's essential to acknowledge the lasting legacy of the 1980 C10 controlhead wiring diagram. Beyond its immediate utility, the diagram becomes a historical artifact, preserving the engineering brilliance of its time.

From Diagram to Legacy 1980 C10 Controlhead Wiring

Restoration projects, museum exhibits, and enthusiast gatherings all draw upon the rich history encapsulated in the wiring diagram. It's not just a technical document; it's a piece of the automotive heritage that continues to inspire and educate.

Conclusion: Unveiling the Hidden Marvels

Our journey into the heart of the 1980 C10 controlhead wiring diagram comes to a close, leaving us with a newfound appreciation for the marvels hidden within the electrical infrastructure of classic vehicles. What might seem like a complex web of wires at first glance reveals itself as a narrative of innovation, reliability,

Another point of view about '1980 C10 CONTROLHEAD WIRING DIAGRAM'.

1. Comprehensive Design: The 1980 C10 controlhead wiring diagram stands as a testament to comprehensive design, intricately detailing every aspect of the vehicle's electrical system.

2. Engineering Precision: Each line on the diagram reflects engineering precision, showcasing a meticulous approach to creating a reliable and efficient electrical infrastructure for the C10.

3. Evolutionary Significance: The wiring diagram is not just a technical document; it holds evolutionary significance, capturing the state of automotive technology and design in the pivotal year of 1980.

4. Practical Application: From diagnostics to maintenance, the diagram finds practical application, serving as an indispensable tool for both enthusiasts and professional mechanics.

5. Troubleshooting Guide: With its clear depiction of connections and components, the wiring diagram serves as a troubleshooting guide, facilitating efficient identification and resolution of electrical issues.

6. Foundation for Modifications: Automotive enthusiasts leverage the wiring diagram as a foundation for modifications, allowing for creative customization while ensuring the integrity of the C10's electrical system.

7. Reliability Assurance: The careful organization of wires and incorporation of fail-safes in the diagram contribute to the overall reliability of the 1980 C10, ensuring long-term dependability.

8. Historical Documentation: Beyond its immediate utility, the wiring diagram serves as historical documentation, preserving the engineering brilliance of the past and contributing to the legacy of the C10.

9. Educational Resource: Restoration projects, museum exhibits, and educational programs draw upon the wiring diagram as an educational resource, offering insights into the technological advancements of its era.

10. Timeless Reference: The 1980 C10 controlhead wiring diagram remains a timeless reference, providing a detailed and accurate portrayal of the vehicle's electrical system for those seeking a deeper understanding or engaging in restoration efforts.

Conclusion : Rev Up Your Ride: Unveiling the 1980 C10 Control Head Wiring Secrets - Diagram Decoded!.

As we wrap up our exploration into the intricacies of the 1980 C10 controlhead wiring diagram, I want to extend my heartfelt appreciation for joining this journey through automotive history. Delving into the blueprint of the past, we've uncovered not just a technical document but a story of innovation, precision, and enduring legacy.

Reflecting on the 1980 C10 controlhead wiring diagram, it's clear that this piece of engineering holds more than just the key to understanding a vehicle's electrical system. It encapsulates an era of thoughtful design and serves as a bridge between the past and present. Whether you're an enthusiast seeking to personalize your C10 or a professional navigating the intricacies of automotive diagnostics, this diagram remains a timeless reference, offering insights into the heartbeat of a classic vehicle. As you embark on your own automotive adventures, may the knowledge gained here empower you to unravel the hidden marvels within the wiring schematic and deepen your appreciation for the craftsmanship embedded in every line and connection.

Question and answer Rev Up Your Ride: Unveiling the 1980 C10 Control Head Wiring Secrets - Diagram Decoded!

Questions & Answer :

Q: How can I use the 1980 C10 controlhead wiring diagram to troubleshoot electrical issues?

  • A: Empower yourself by first understanding the layout of the wiring diagram. Follow the pathways to identify potential culprits causing electrical malfunctions. Pay attention to color codes and symbols for a comprehensive troubleshooting process.

Q: Is deciphering the wiring diagram feasible for someone without a technical background?

  • A: Absolutely. The 1980 C10 controlhead wiring diagram is designed to be user-friendly. Take it step by step, focusing on individual components and their connections. Online resources and community forums can also provide valuable insights for those new to interpreting such diagrams.

Q: Can modifications be made to the electrical system using the wiring diagram?

  • A: Yes, and this is where the diagram transforms into a canvas for customization. However, proceed with caution, adhering to the principles laid out in the diagram to maintain the integrity of the 1980 C10's electrical system. Seek professional advice if needed.

Q: What's the historical significance of the 1980 C10 controlhead wiring diagram?

  • A: Beyond its technical utility, the wiring diagram serves as a historical artifact, documenting the engineering brilliance of its time. It encapsulates the spirit of automotive innovation in 1980, making it a valuable piece for enthusiasts and historians alike.

Keywords : '1980 C10 CONTROLHEAD WIRING DIAGRAM'

0 komentar